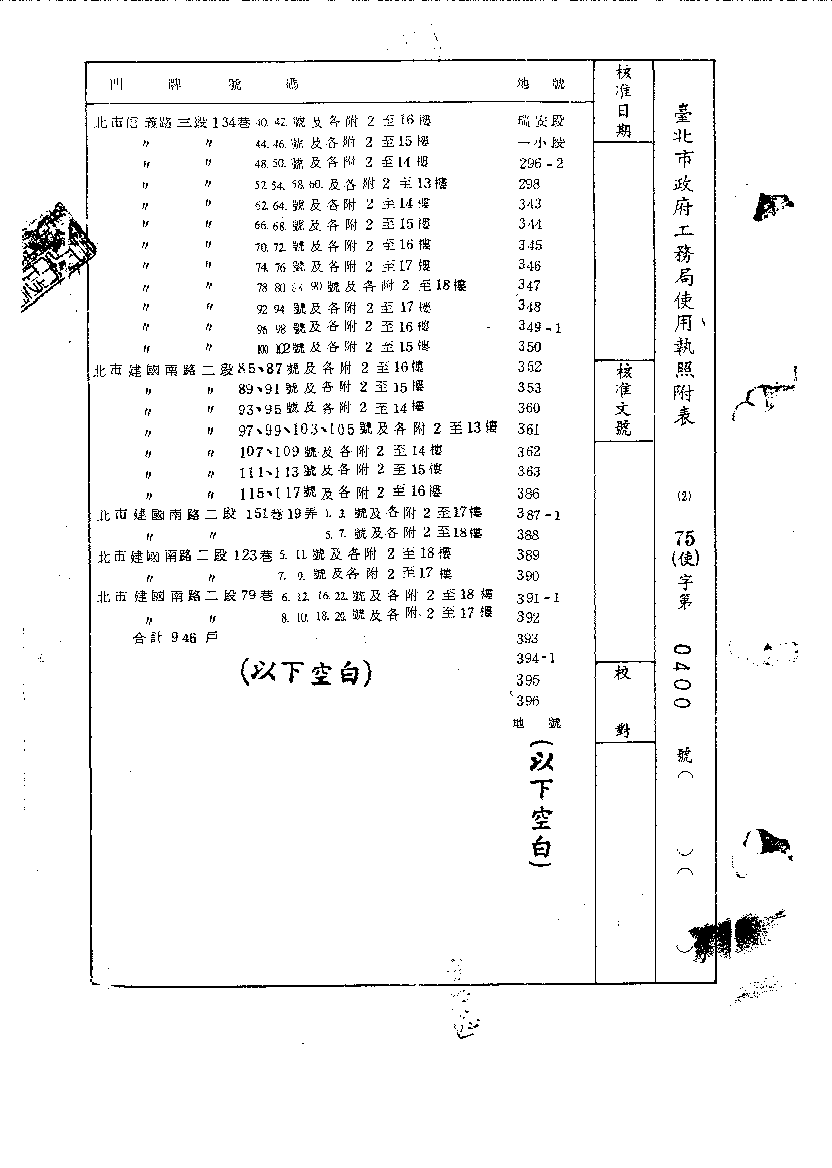
執照號碼:0750400
原始資料
執照類型:使用執照
地址
- 建國南路二段95號
- 信義路三段134巷58號
- 建國南路二段87號
- 信義路三段134巷90號
- 建國南路二段123巷5號
- 建國南路二段109號
- 信義路三段134巷68號
- 建國南路二段93號
- 信義路三段134巷102號
- 信義路三段134巷96號
- 建國南路二段79巷20號
- 建國南路二段111號
- 信義路三段134巷62號
- 建國南路二段151巷19弄7號
- 建國南路二段103號
- 信義路三段134巷70號
- 建國南路二段79巷16號
- 信義路三段134巷54號
- 建國南路二段123巷9號
- 建國南路二段99號
- 信義路三段134巷46號
- 信義路三段134巷64號
- 建國南路二段117號
- 建國南路二段151巷19弄1號
- 建國南路二段79巷6號
- 信義路三段134巷76號
- 建國南路二段105號
- 建國南路二段79巷10號
- 信義路三段134巷52號
- 信義路三段134巷88號
- 信義路三段134巷40號
- 建國南路二段79巷8號
- 信義路三段134巷78號
- 信義路三段134巷100號
- 信義路三段134巷94號
- 建國南路二段91號
- 建國南路二段123巷11號
- 建國南路二段79巷18號
- 信義路三段134巷92號
- 建國南路二段85號
- 建國南路二段123巷7號
- 信義路三段134巷80號
- 信義路三段134巷48號
- 建國南路二段97號
- 信義路三段134巷74號
- 建國南路二段107號
- 建國南路二段151巷19弄3號
- 信義路三段134巷66號
- 建國南路二段115號
- 信義路三段134巷42號
- 信義路三段134巷50號
- 信義路三段134巷98號
- 建國南路二段79巷12號
- 信義路三段134巷72號
- 建國南路二段151巷19弄5號
- 建國南路二段113號
- 信義路三段134巷60號
- 建國南路二段79巷22號
- 信義路三段134巷44號
- 建國南路二段89號
檔案
-
- 頁次: 1
- 圖檔類型:存根
- 備註說明:使用執照存根
- 建檔日期:0
- 分局:
- 派出所:

-
- 頁次: 2
- 圖檔類型:附表
- 備註說明:使用執照存根附表
- 建檔日期:0
- 分局:
- 派出所:

上一筆
下一筆