執照號碼:0670931
原始資料
執照類型:使用執照
地址
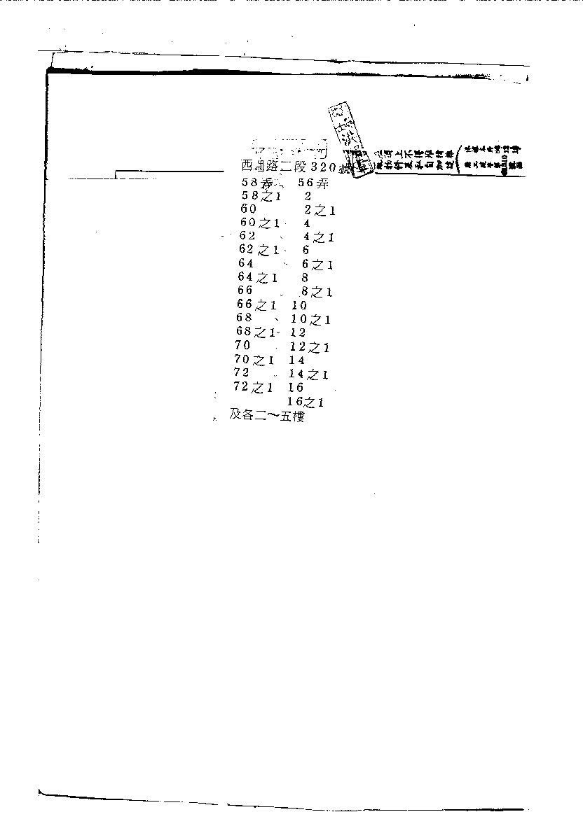
- 西園路二段320巷68號
- 西園路二段320巷56弄4號
- 西園路二段320巷58號
- 西園路二段320巷68之1號
- 西園路二段320巷60之1號
- 西園路二段320巷62之1號
- 西園路二段320巷64之1號
- 西園路二段320巷56弄2號
- 西園路二段320巷66之1號
- 西園路二段320巷56弄14號
- 西園路二段320巷56弄8號
- 西園路二段320巷64號
- 西園路二段320巷56弄12號
- 西園路二段320巷70號
- 西園路二段320巷62號
- 西園路二段320巷58之1號
- 西園路二段320巷56弄14之1號
- 西園路二段320巷56弄8之1號
- 西園路二段320巷56弄16之1號
- 西園路二段320巷56弄10之1號
- 西園路二段320巷56弄12之1號
- 西園路二段320巷56弄6號
- 西園路二段320巷56弄2之1號
- 西園路二段320巷56弄4之1號
- 西園路二段320巷56弄6之1號
- 西園路二段320巷56弄10號
- 西園路二段320巷60號
- 西園路二段320巷72號
- 西園路二段320巷72之1號
- 西園路二段320巷56弄16號
- 西園路二段320巷70之1號
- 西園路二段320巷66號
檔案
-
- 頁次: 1
- 圖檔類型:存根
- 備註說明:使用執照存根
- 建檔日期:0
- 分局:
- 派出所:

-
- 頁次: 2
- 圖檔類型:附表
- 備註說明:使用執照存根附表
- 建檔日期:0
- 分局:
- 派出所:

上一筆
下一筆